


Nanocrystalline cellulose is a kind of nanomaterial that has got tens of nanometers width and hundreads of nanometers length and produced with the method of acid hydrolysis of amporphous structures of cellulose for isolating crystalline domains. Flax, hemp, coconout, banana plants and processed materials like paper pulp and microcrystalline cellulose are the common sources for producing nanocrystalline cellulose.
Aspect ratio, is a unitless number that
definites length/width ratio of nanocrystallites.
Nanocrystalline cellulose can have aspect ratio values between
1-100 respect to their production source [1]. As that can be
seen in Table 1, resources effects the final product directly.
Also crystal sizes effects the mechanical behaviour of
composites directly, too.
Table 1.
Comparasion of length and width values of nanocrystalline
celluloses from different sources [2]
|
Source |
Length [nm] |
Width [nm] |
|
Bacterial
Sources |
100-1000 |
10-50 |
|
100-1000 |
5-10 x 30-50 |
|
|
Cotton |
100-150 |
5-10 |
|
70-170 |
7 |
|
|
200-300 |
8 |
|
|
255 |
15 |
|
|
150-210 |
5-11 |
|
|
Cotton
Linter |
100-200 |
10-20 |
|
25-320 |
6-70 |
|
|
300-500 |
15-30 |
|
|
Microcrystalline Cellulose |
35-265 |
3-48 |
|
250-270 |
23 |
|
|
500 |
10 |
|
|
Ramie |
150-250 |
6-8 |
|
50-150 |
5-10 |
|
|
Sisal |
100-500 |
3-5 |
|
150-280 |
3,5-6,5 |
|
|
Tunicate |
- |
8,8 x 18,2 |
|
1160 |
16 |
|
|
500-1000 |
10 |
|
|
1000-3000 |
15-30 |
|
|
100-1000 |
15 |
|
|
1073 |
28 |
|
|
Valonia |
>1000 |
10-20 |
|
Soft Wood |
200-200 |
3-4 |
|
100-150 |
4-5 |
|
|
Hard Wood |
140-150 |
4-5 |
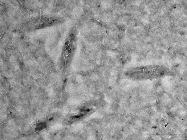
In our works, lignocellulosic and cotton plant derived linter and paper pulp were used as resource of nanocrystalline cellulose production. In Table 2, crystalline sizes that produced from treatment of cellulosic raw materials with sulfuric acid are given.
Tablo 2. TEM Analysis linked crystalline sizes of the nanocrystalline cellulose specimens that are derived from different sources
|
NCC from
Linter |
NCC from
Long Cut Paper Pulp |
NCC from Short
Cut Paper Pulp |
||||||
|
Length [nm] |
Diameter
[nm] |
Length [nm] |
Diameter [nm] |
Length [nm] |
Diameter [nm] |
|||
|
108,43 |
2,92 |
94,72 |
12,16 |
181,25 |
31,32 |
|||
|
160,74 |
2,97 |
104,41 |
13,21 |
193,56 |
44,44 |
|||
|
174,99 |
3,11 |
127,99 |
16,71 |
224,99 |
46,02 |
|||
|
188,75 |
3,23 |
173,12 |
17,23 |
318,8 |
54,41 |
|||
|
202,3 |
3,32 |
177,74 |
20,68 |
364,34 |
55,55 |
|||
|
205,75 |
6 |
188,79 |
25,07 |
386,73 |
66,32 |
|||
|
208,12 |
6,76 |
208,74 |
|
430,48 |
66,66 |
|||
|
214,78 |
7,88 |
326,1 |
|
|
66,66 |
|||
|
216,91 |
9,01 |
447,53 |
|
|
80,88 |
|||
|
232,09 |
16,33 |
|
|
|
87,64 |
|||
|
234,77 |
58,91 |
|
|
|
88,88 |
|||
|
240,93 |
61,45 |
|
|
|
88,88 |
|||
|
240,98 |
64,69 |
|
|
|
89,26 |
|||
|
251,91 |
64,69 |
|
|
|
111,1 |
|||
|
253,84 |
67,16 |
|
|
|
|
|||
|
253,93 |
71,44 |
|
|
|
|
|||
|
266,18 |
75,19 |
|
|
|
|
|||
|
269,45 |
75,73 |
|
|
|
|
|||
|
274,37 |
77,99 |
|
|
|
|
|||
|
278,84 |
|
|
|
|
|
|||
|
Mean
Values |
223,903 |
35,72526 |
205,46 |
17,51 |
300,0214 |
69,85857 |
||
|
Length/Diameter Values |
||||||||
|
Smallest Length/Smallest Diameter |
95,49315068 |
36,80345395 |
13,74457216 |
|||||
|
Smallest Length/Biggest Diameter |
1,39030645 |
7,789473684 |
1,631413141 |
|||||
|
Biggest
Length/Biggest Diameter |
3,575330171 |
17,85121659 |
3,874707471 |
|||||
|
Biggest
Length/Smallest Diameter |
37,13356164 |
7,789473684 |
5,787037037 |
|||||
|
Mean
Length/Mean Diameter |
6,267357612 |
11,73386636 |
4,29469745 |
|||||
Compatibility between results of our works and related literature can be easily seen from Table 2. Aspect ratio values are also given in Table 2.
Table 3. Comparasion of mechanical properties of nanocrystalline cellulose and industrial fibers [1]
|
Material |
Density
[g/cm3] |
Tensile
Strength [GPa] |
|
Kevlar 49
Fiber |
1,1-1,4 |
3,5 |
|
Karbon
Fiber |
2,5 |
3,5-4,5 |
|
Steel Wire |
7,8 |
4,1 |
|
Carbon
Nano Tube |
2,1 |
11-73 |
|
Glass
Fiber |
2,6 |
4,8 |
|
Nanocrystalline Cellulose |
1,6 |
7,5-7,7 |
Composite materials are the major application area of nanocrystalline cellulose. Nanocrystalline cellulose is more strengthful material than steel with 145 GPa elasticity modulus and more stiffer than aluminium with 7,5 GPa tensile strength but also less dense material than others [1]. As it can be seen in Table 3, density values of nanocrystalline cellulose is close to the Kevlar fiber but nanocrystalline cellulose has got two times better mechanical properties. Nanocrystalline cellulose is much stregthful and less dense material compared to common fibers that are use in composites and also more renewable material than its closest rival “carbon nano tube”.
Table 4. Comparasion of mechanical behaviour of nanocrystalline cellulose reinforced composites [3]
|
Matrix |
NCC-Source and Size
[Dia., Len. [nm]] |
%NCC [wt %] |
Increase on Young
Modulus [%] |
Increase onTensile
Strength [%] |
Increase on Elongation
at Brake [%] |
|
Polyethylene Oxide |
Bacterial [11, 420] |
0-0,4 |
139,9 |
72,3 |
-233,3 |
|
Polyacrylic Acid |
Cotton |
0-20 |
7633,9 |
5658,6 |
-99,9 |
|
Polyethylene Oxide |
MCC [10, 112] |
0-20 |
392,1 |
240,8 |
-37,5 |
|
Cotton [5-10, 40-100] |
0-20 |
190,5 |
377,5 |
-33,5 |
|
|
Tunicate [20, 2000] |
0-15 |
98,8 |
- |
- |
|
|
Polyvinyl alcohol |
Ramie [3-10, 100-250] |
0-15 |
270,9 |
- |
- |
|
Polycaprolactone |
Ramie [3-10, 100-250] |
0-7,5 |
64,3 |
37,2 |
49,0 |
|
Polystyrene |
Paper [10-20, 200] |
0-9 |
60 |
- |
- |
|
Polymethyl methacrylate |
Bacterial [15-20, 300-8μm] |
0-20 |
- |
- |
- |
|
Wood [17, 190-660] |
0-41 |
17 |
30,2 |
-1,4 |
|
|
Polylactic acid |
MCC [92, 124] |
0-10 |
37 |
30,2 |
-1,4 |
|
EVOH |
Bacterial [30
nm] |
0-8 |
- |
- |
- |
|
Polylactic acid |
Cotton |
0-12,5 |
- |
161,9 |
- |
|
Silk |
Wood bark [25-40, 400-500] |
0-4 |
300,3 |
208,0 |
-55,6 |
In Table 4 effects of different sources like cotton, ramie and MCC derived nanocrystalline cellulose reinforced matrixes like polyethylene oxide, polyacrylic acid and polyvinyl alcohol on mechanical properties has been monitored. As it can be seen on related table nanocrystalline cellulose gives advanced mechanical properties to reinforced material.
Nanocrystalline cellulose has got exiting and potential application areas like paper, painting, building, and aerospace materials, food and drug additives because of its advanced mechanical properties and biocompatible, biodegredable, renewable and chemically modifiedable structure.
1. Peresin, M.S., A mini-review on
properties of nanocrystalline cellulose and its potential
applications. Revista Investigaciones Aplicadas, 2013. 7(2): p.
58-73.
2. Habibi, Y., L.A. Lucia, and O.J. Rojas, Cellulose
nanocrystals: chemistry, self-assembly, and applications.
Chemical reviews, 2010. 110(6): p. 3479-3500.
3. Zhou, C. and
Q. Wu, Recent development in applications of cellulose
nanocrystals for advanced polymer-based nanocomposites by novel
fabrication strategies. 2012: INTECH Open Access Publisher.
Nanolinter® is a nano-sized, linter based product that is developed for a producing an advanced technology material with consultancy of Yıldız Technical University, Chemistry- Metallurgy Faculty. Patent applications have been done for the Nanolinter® and feasibility studies are going to be started with the demands of industry.
Nanocrystalline cellulose is a material which has got increasing interest for researches, productions and applications. Nanocrystalline cellulose can be used as reinforcement material in sectors like composites, drugs, cosmetics, chemie, materials and paintings. Nanolinter® is producing with linter that is very abundant in Turkey and has got Industrial symbiosis benefits.
Production method of Nanolinter® is protected with the application to European Patent Office (EPO) at 04.02.2016. (legal protection covers 38 countries)
Transmission Electron Microscopy (TEM) images in this website is belongs to website owner according to laws. Situations like copying and sharing at other medias are defined as a crime at law for whatever reason it might be.
Contact Form
Address